产品搜索
手机扫一扫
打开手机微信,扫码咨询!

高压成套系列

High pressure series

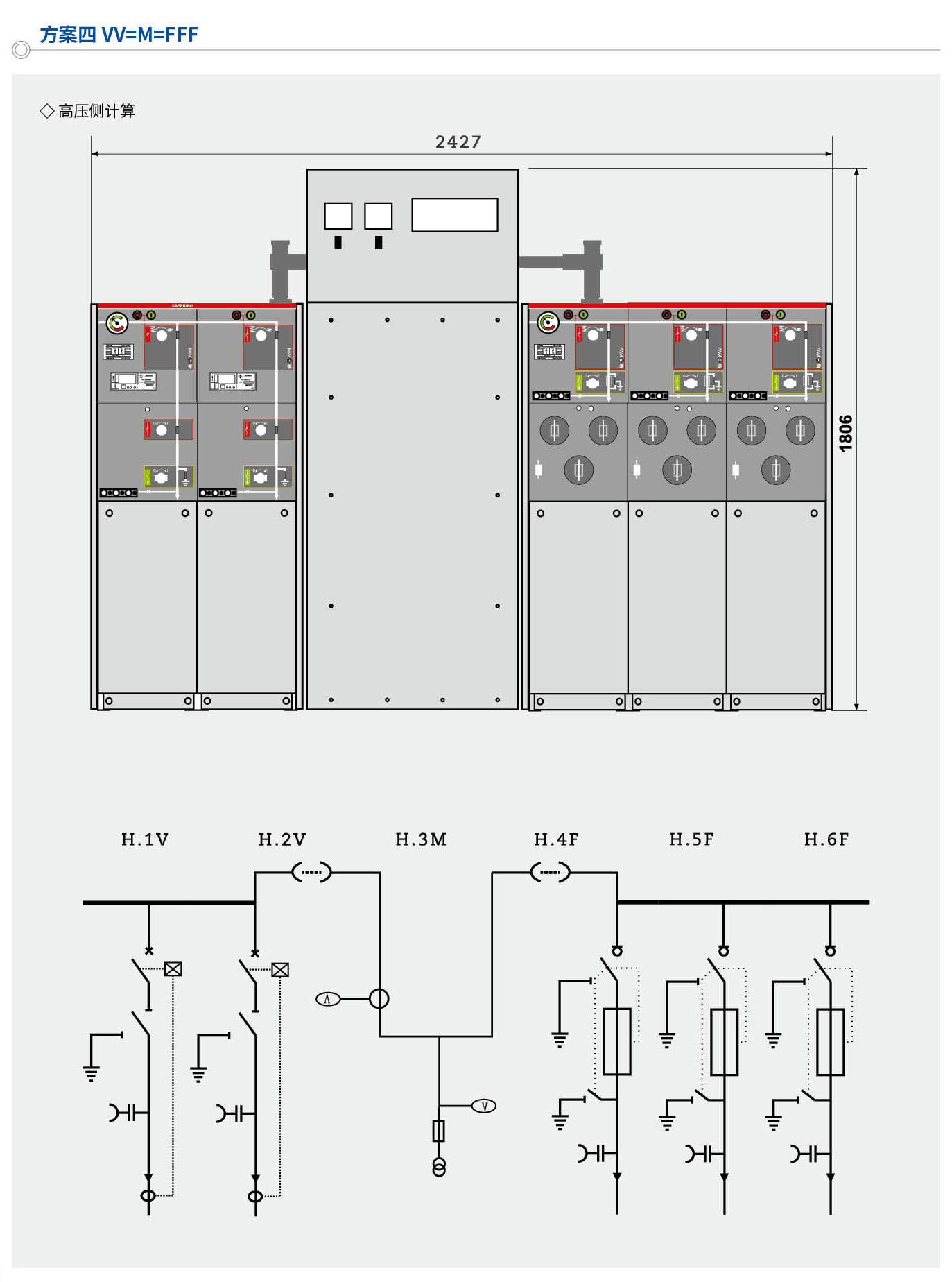
RM6-40.5/630-25全封闭全绝缘充气式环网开关设备

销售电话:13968720563
销售热线:0577-62772566
邮箱:625432093@qq.com

  • 技术参数
  • 在线咨询

适用范围


在线留言